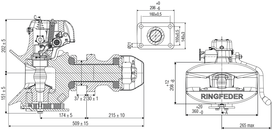
PART NO : TC7310G
APPLICATION :
For heavy duty transport with 50 mm drawbar eyes
D-VALUE : 320 kN.
MAX VERTICAL LOAD: No static vertical load - hinged drawbar trailers only
OPERATION:
Trailer Coupling Coupled
The trailer coupling is closed and secured, respectively coupled, that is to say the towing eye is inserted, the coupling bolt in its lower posi-tion, the safety device is engaged: the safety bar/bolt locates over the coupling bolt, the security knob is in the internal engaged position.
Opening the Trailer Coupling
The trailer coupling can only be opened if the coupling jaw is in the central position or in the lateral end positions. To release the trailer coupling the securing knob is to be pulled out and turned ahead until it has reached its external engaged position. The trailer coupling now is released. To open the trailer coupling the handle is moved to its upper end position and then released. (The handle engages in the upper end position.) This will cause the coupling bolt to lift up and the towing eye may be extended. Due to the extension of the towing eye the coupling mechanism is again released and thus the coupling repeatedly closed and secured.
Opening The Trailer Coupling To Couple The Towing Eye
To open the trailer coupling proceed as described above. The coupling lever is engaged in its upper end position, the coupling is set ready for its next engagement. When inserting the towing eye the coupling mechanism is released by lifting the coupling bolt. The coupling clo-ses automatically which means that the coupling bolt is inserted in its lower position through the towing eye bush in the lower guide bush. The safety device is engaged that is to say the safety bar / bolt locates over the coupling bolt, the securing knob is in its engaged position, the coupling is closed and secured, the towing eye is engaged.Check that after each coupling process the safety device is fully enga-ged. If the securing knob is not in its internal engaged position, the trailer coupling is unsecured and the whole coupling procedure must be repeated.
SIZE:

Download Installation
& Operating Instructions:
![]()
15990007
*Prices quoted are online only.
Check with your local Branch for in store pricing.
Ringfeder 50mm Tow Coupling - 303 AUS
- Brand: BPW Transpec
- Product Code: TC7310G
- Availability: In Stock
- $2,090.00
-
$1,925.00
- Ex Tax: $1,750.00
Related Products
V.Orlandi 50mm Semi-Automatic Tow Coupling - E551BOM (Cast Wear Pad)
PART NO : TC8006 ..
$1,760.00 $1,925.00 Ex Tax: $1,600.00


